630883

Tecumseh Carburetor 630883

630883

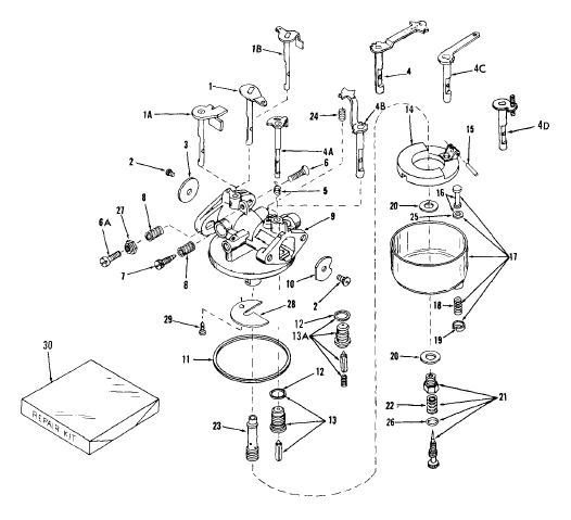
Sl.NoPart DescriptionPart numberNotesPurchase
1"Shaft & Lever Assembly., Throttle30723
2Screw, Sems, 6-32 x 3/1630357
3Shutter, Throttle30726
4Shaft & Lever Assembly., Choke30716
6AScrew, Throttle adjusting650399replaces 630605
6Screw, Throttle adjusting30717
7Needle, Idle27112
8Spring, Adjustment. needle27114
9Body Assembly., Carburetor30722
10Shutter, Choke28924
11Gasket, Bowl-to-body30356
12Gasket, Seat27108
13Valve, Seat & Gasket Assembly29154
14Float30354
15Shaft, Float27106
16Stem Assembly., Bowl drain27136Areplaces 27136
17Bowl Assembly.32131replaces 30350
18Spring, Bowl drain27136Areplaces 27137
19Retainer, Bowl drain stem .27136Areplaces 27138
20Gasket, Bowl-to-body27110Areplaces 27110
21Needle Assembly., Power adjusting28945
22Spring, Power needle630786
23Nozzle, Main30355
24Spring, Choke stop27113
25Gasket, Drain stem27554
26"O" Ring27544
27Nut, Flexloc30719
28Baffle, Carburetor30815
29Screw, Baffle30817
30Repair Kit30359

Tecumseh CA-630883 parts lookup table. It is now simple to find and adjust the Tecumseh CA-630883 part with the help of this table.