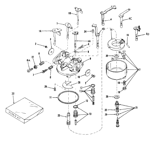
630885
Tecumseh Carburetor 630885
| Sl.No | Part Description | Part number | Notes | Purchase |
|---|---|---|---|---|
| 1A | Shaft & Lever Assembly., Choke | 30353 | ||
| 2 | Screw, Sems, 6-32 x 3/16 | 30357 | ||
| 3 | Shutter, Throttle | 30726 | ||
| 4A | Shaft & Lever Assembly., Choke | 30353 | ||
| 5 | Spring, Choke return | 30358 | ||
| 6A | Screw, Throttle adjusting | 650399 | replaces 27115 | |
| 7 | Needle, Idle | 27112 | ||
| 8 | Spring, Adjustment. needle | 27114 | ||
| 9 | Body Assembly., Carburetor | 30738 | ||
| 10 | Shutter, Choke | 28924 | ||
| 11 | Gasket, Bowl-to-body | 30356 | ||
| 12 | Gasket, Seat | 27108 | ||
| 13 | Valve, Seat & Gasket Assembly. | 29154 | ||
| 14 | Float | 30354 | ||
| 15 | Shaft, Float | 27106 | ||
| 16 | Stem Assembly., Bowl drain | 27136A | replaces 27136 | |
| 17 | Bowl Assembly. | 32131 | replaces 30350 | |
| 18 | Spring, Bowl drain | 27136A | replaces 27137 | |
| 19 | Retainer, Bowl drain stem . | 27136A | replaces 27138 | |
| 20 | Gasket, Bowl-to-body | 27110A | replaces 27110 | |
| 21 | Needle Assembly., Power adjusting | 28945 | ||
| 22 | Spring, Power needle | 630786 | ||
| 23 | Nozzle, Main | 30355 | ||
| 25 | Gasket, Drain stem | 27554 | ||
| 26 | "O" Ring | 27544 | ||
| 28 | Baffle, Carburetor | 30815 | ||
| 29 | Screw, Baffle | 30817 | ||
| 30 | Repair Kit | 30359 |
View Carburetor OEM parts detail, including CA-630885 diagram, tools and detailed part configuration about Tecumseh Carburetor.
