630901

Tecumseh Carburetor 630901

630901

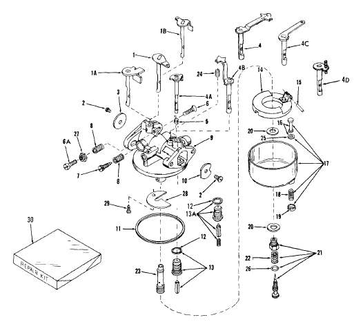
Sl.NoPart DescriptionPart numberNotesPurchase
1A"Shaft & Lever Assembly., Throttle30816
2Screw, Sems, 6-32 x 3/1630357
3Shutter, Throttle30726
4AShaft & Lever Assembly., Choke30353
5Spring, Choke return30358
6AScrew, Throttle adjusting650399replaces 630605
7Needle, Idle27112
8Spring, Adjustment. needle27114
9Body Assembly., Carburetor30814
10Shutter, Choke28924
11Gasket, Bowl-to-body30356
12Gasket, Seat27108
13Valve, Seat & Gasket Assembly.29154
14Float30354
15Shaft, Float27106
16Stem Assembly., Bowl drain27136Areplaces 27136
17Bowl Assembly.32131replaces 30350
18Spring, Bowl drain27136Areplaces 27137
19Retainer, Bowl drain stem .27136Areplaces 27138
20Gasket, Bowl-to-body27110Areplaces 27110
21Needle Assembly., Power adjusting28945
22Spring, Power needle630786
23Nozzle, Main30355
25Gasket, Drain stem27554
26"O" Ring27544
28Baffle, Carburetor30815
29Screw, Baffle30817
30Repair Kit30359

Small engine parts, Tecumseh 630901 details with diagrams and parts lookup table. It helps you get full information about the carburetor, how to identify and repair its parts.