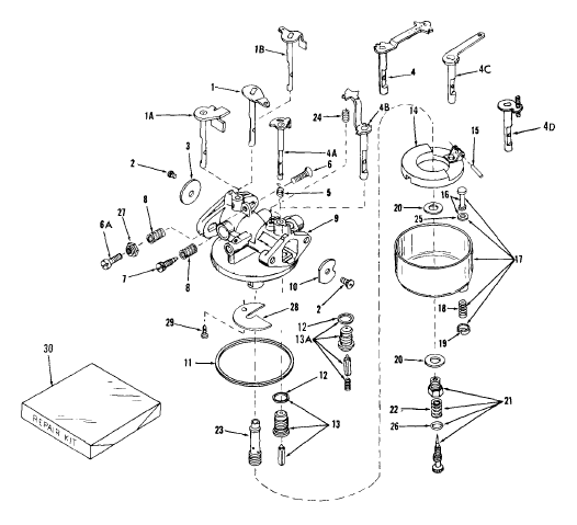
630905
Tecumseh Carburetor 630905
| Sl.No | Part Description | Part number | Notes | Purchase |
|---|---|---|---|---|
| 1 | "Shaft & Lever Assembly., Throttle | 30855 | ||
| 2 | Screw, Sems, 6-32 x 3/16 | 30357 | ||
| 3 | Shutter, Throttle | 30726 | ||
| 4 | Shaft & Lever Assembly., Choke | 30716 | ||
| 6 | Screw, Throttle adjusting | 30717 | ||
| 8 | Spring, Adjustment. needle | 27114 | ||
| 9 | Body Assembly., Carburetor | 30854 | ||
| 10 | Shutter, Choke | 28924 | ||
| 11 | Gasket, Bowl-to-body | 30356 | ||
| 12 | Gasket, Seat | 27108 | ||
| 13 | Valve, Seat & Gasket Assembly. | 29154 | ||
| 14 | Float | 30354 | ||
| 15 | Shaft, Float | 27106 | ||
| 16 | Stem Assembly., Bowl drain | 27136A | replaces 27136 | |
| 17 | Bowl Assembly. | 32131 | replaces 30350 | |
| 18 | Spring, Bowl drain | 27136A | replaces 27137 | |
| 19 | Retainer, Bowl drain stem. | 27136A | replaces 27138 | |
| 20 | Gasket, Bowl-to-body | 27110A | replaces 27110 | |
| 21 | Neede Assembly., Power adjusting | 28945 | ||
| 22 | Spring, Power needle | 630786 | ||
| 23 | Nozzle, Main | 30355 | ||
| 24 | Spring, Choke stop | 27113 | ||
| 25 | Gasket, Drain stem | 27554 | ||
| 26 | "O" Ring | 27544 | ||
| 27 | Nut, Flexloc | 30719 | ||
| 30 | Repair Kit | 30359 |
Your preferred source for Tecumseh 630905 part details. Use our manual and troubleshooting guide for proper functioning of Tecumseh Carburetor.
