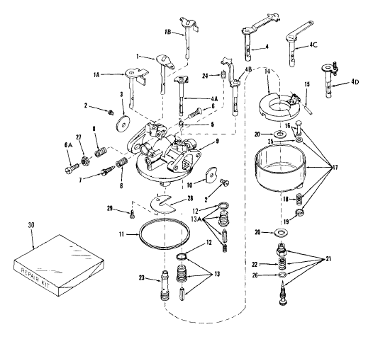
630916

Tecumseh Carburetor 630916

630916

Sl.NoPart DescriptionPart numberNotesPurchase
1A"Shaft & Lever Assembly., Throttle30739
2Screw, Sems, 6-32 x 3/1630357
3Shutter, Throttle30726
4BShaft & Lever Assembly., Choke30919
6AScrew, Throttle adjusting650399replaces 630605
7Needle, Idle27112
8Spring, Adjustment. needle27114
9Body Assembly., Carburetor30918
10Shatter, Choke29503
11Gasket, Bowl-to-body30356
12Gasket, Seat27108
13Valve, Seat & Gasket Assembly.29154
14Float30354
15Shaft, Float27106
16Stem Assembly., Bowl drain27136Areplaces 27136
17Bowl Assembly.32131replaces 30350
18Spring, Bowl drain27136Areplaces 27137
19Retainer, Bowl drain stem.27136Areplaces 27138
20Gasket, Bowl-to-body27110Areplaces 27110
21Needle Assembly., Power adjusting28945
22Spring, Power needle630786
23Nozzle, Main30355
24Spring, Choke stop27113
25Gasket, Drain stem27554
26"O" Ring27544
28Baffle, Carburetor30815
29Screw, Baffle30817
30Repair Kit30359